欢迎光临山东华储环保装备有限公司官网!
联系我们
产品展示
网站首页
咨询热线:
0635-5039000
网站首页
关于我们
公司简介
企业文化
资质荣誉
厂房设备
工程案例
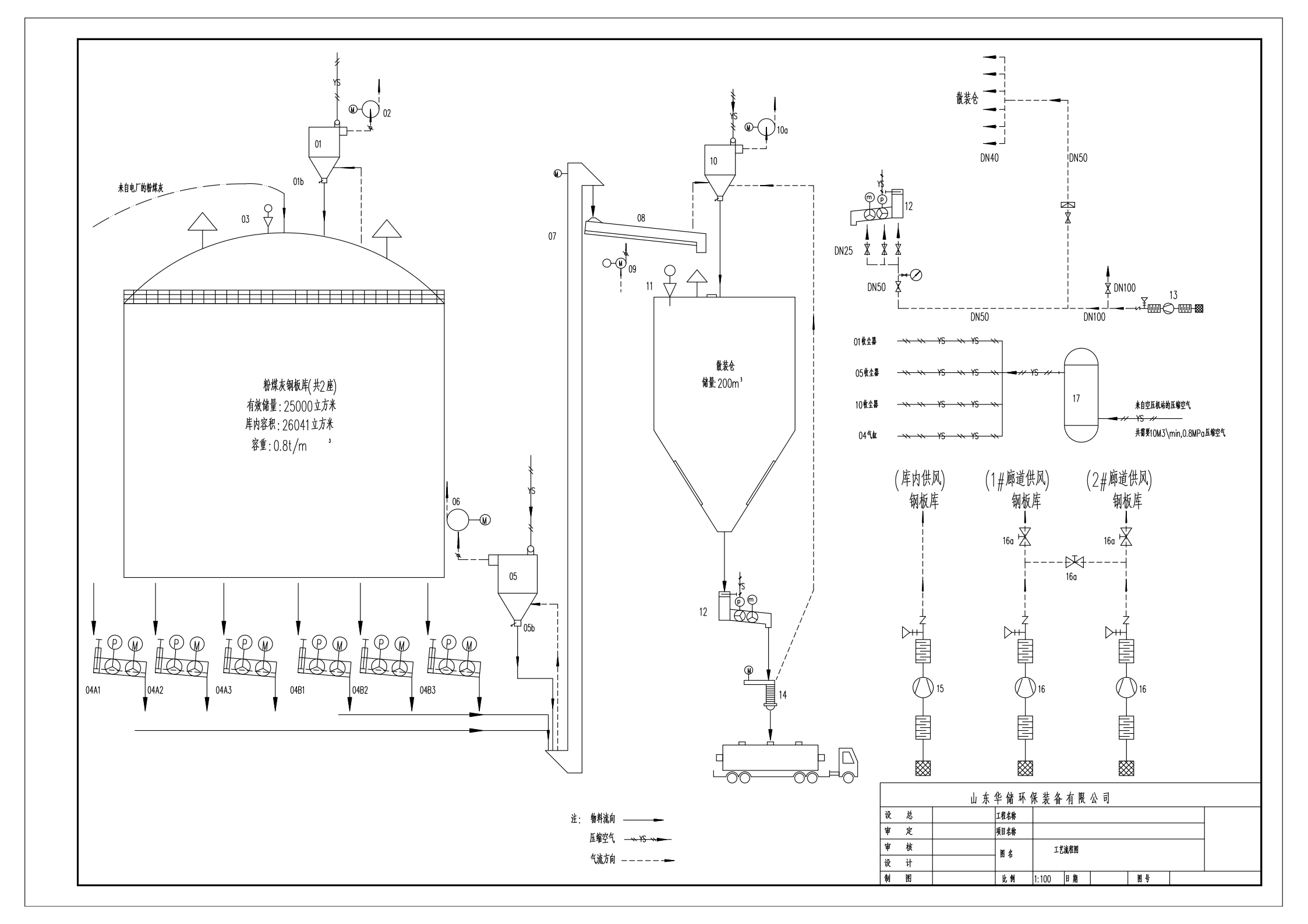
粉煤灰钢板仓
骨料钢板仓
水泥钢板仓
焦炭钢板仓
产品中心
粉煤灰分选设备
流化棒
收尘器
呼吸阀
新闻咨询
公司新闻
中标公示
技术问答
厂房设备
产品演示
联系我们
您的位置:
网站首页
>
技术问答
新闻中心
公司新闻
中标公示
技术问答
咨询热线
0635-5039000
189-6355-5098
钢板库的注意事项
钢板库的注意事项...
了解详情
钢板仓无基础底板技术进行简要分析
钢板仓无基础底板技术进行简要分析...
了解详情
选择钢板库工艺要求
选择钢板库工艺要求...
了解详情
简要分析钢板库的结构
简要分析钢板库的结构...
了解详情
975 条记录 共 244 页
首页
上一页
下一页
末页
每页 4 条
城市地图